|
|
 |
 |
 |
| |
| |
|
PM Stepper Gear Motor |
|
| Details |
|
|
| SPECIFICATIONS (at Constand Voltage driver only) |
Precision
PM Stepper Gear motor:
Model |
Step
Angle
(deg) |
No.of
phase |
Voltage
(V) |
Current
(mA) |
Resistance
(Ω) |
Gear
Ratio |
Max. Starting
Frequency
(pps) |
Pullin
Torque
(g.cm/pps) |
Holding
Torque
(g.cm) |
Wdg |
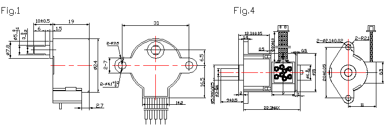
Fig |
| 15PMG01 |
18/150 |
2 |
5 |
420 |
12 |
1/150 |
800 |
450 |
2500 |
- |
4 |
| 15PMG50-05 |
18/50 |
2 |
5 |
500 |
10 |
1/50 |
1280 |
280/200 |
1350 |
b |
4 |
| 15PMG102.5-01 |
18/102.5 |
2 |
5 |
500 |
10 |
1/102.5 |
1000 |
350/200 |
2000 |
b |
4 |
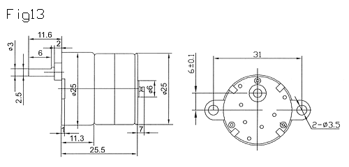
| 25PMG05-01 |
7.5/5 |
2 |
2.6 |
520 |
5 |
1/5 |
450 |
75/200 |
800 |
b |
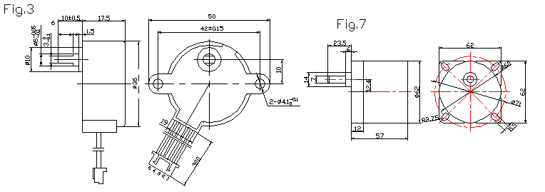
10 |
| 25PMG05-02 |
7.5/5 |
2 |
3.5 |
364 |
9.6 |
1/5 |
420 |
100/200 |
500 |
b |
10 |
| 25PMG10-01 |
7.5/10 |
4 |
5 |
500 |
10 |
1/10 |
720 |
400/100 |
1100 |
c |
11 |
| 25PMG30-01 |
7.5/30 |
4 |
13.3 |
110 |
120 |
1/30 |
680 |
750/100 |
4000 |
c |
12 |
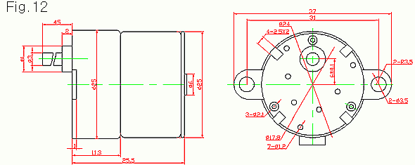
25PMG30.3-01 |
15/30.3 |
2 |
7 |
280 |
25 |
1/30.3 |
610 |
500/300 |
3000 |
b |
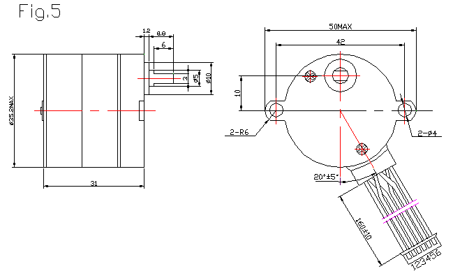
14 |
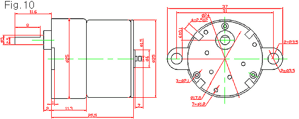
| 25PMG76-01 |
15/76 |
4 |
5 |
250 |
20 |
1/76 |
430 |
720/200 |
5000 |
c |
14 |
35PMG01 |
7.5/19 |
4 |
24 |
218 |
110 |
1/19 |
300 |
2300/200 |
5000 |
a |
5 |
| 35PMG08 |
7.5/8.4 |
4 |
12 |
400 |
30 |
1/8.4 |
360 |
800/300 |
1150 |
a |
9 |
| 35PMG19 |
7.5/19 |
4 |
12 |
400 |
30 |
1/19 |
360 |
2500/200 |
10000 |
a |
9 |
| 35PMG30 |
7.5/30 |
4 |
12 |
400 |
30 |
1/30 |
360 |
2500/300 |
12000 |
a |
9 |
| 35PMG60 |
7.5/60 |
4 |
12 |
400 |
30 |
1/60 |
360 |
3000/300 |
12000 |
a |
9 |
| 35PMG120 |
7.5/120 |
4 |
12 |
400 |
30 |
1/120 |
360 |
8000/300 |
15000 |
a |
9 |
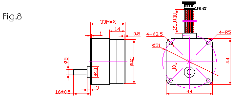
| 42PMG01 |
7.5/24 |
4 |
12 |
445 |
27 |
1/24 |
380 |
1600/200 |
13000 |
a |
8 |
| *Note:
We can
also
manufacture
products
according
to customer's
requirements. |
|
|









|
|
 |
|
|
|
|
|
|