MotionKing
To Inquire Basket
  Home > Showroom > PM Stepper Motors
 
Hybrid Stepper Motors
2/4 Phase
8H2A 11H2A
14H2A 14H2M
14H2K 14H2R
16H2M 16H2A
17H2M/K 17H2A
17H2E 23H2A
23H2M 23H2B
24H2A 34H2A
34H2B 34H2Y
34H2M 43H2A
Precision Linear Motor
3 Phase
17H3A 23H3A
24H3A 34H3A
5 Phase
16H5C 24H5A
34H5B    
Ultra Flat | Pancake Motors
Square 28mm Square 42mm
Round 46mm Round 56mm
Round 60mm    
 
MEZ Stepper Servo
MEZ Motors MEZ Drives
       
AC Servo Motors
AS40 AS60
AS80 AS90
AS100 AS110
AS130 AS150
AS180    
       
DC Brushless Motors
42BLDC 57BLDC
60BLDC 70BLDC
90BLDC 110BLDC
Brushless Servo Motor
       
PM Stepper Motors
15PM 20PM
25PM 35PM
42PM 57PM
PM Stepper Gear Motors
35PM42Z Linear Motor
57PMZ Linear Motor
 
DC Gear Motors
37ZYJ-36ZY
37ZYJ-528
1-025-050
56JBX-57ZYN Planetary
56JBX-57BLDC Planetary
 
Drivers & Accessories
Encoders
Micro-Stepping Drivers

Hybrid Stepper Motor Catalogue
MEZ close loop stepper servo systems
AC Servo motors



New Contents
 
-> 35PM42Z Idle Speed Control (Idle Speed Motor for Automobile)
Action
     
<< BACK
  Print This Page
  Email This Page
  Save to Favorites
 
Products Name: 35PM42Z Idle Speed Control (Idle Speed Motor for Automobile)
Model: 35PM42Z Linear Motor
Details  
SPECIFICATIONS:

型号
步距角
相数
电压
电流
电阻
电感
步长
标称推力/拉力
总行程
接线图
外形图
Model
Step Angle
(Deg.)
No. of phase
Voltage
(V)
Current
(A)
Resistance
(Ω)
Inductance
(mH)
Step Avail
(mm)
Push Torque
(N)
Journey
(mm)
Wdg
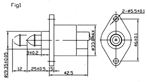
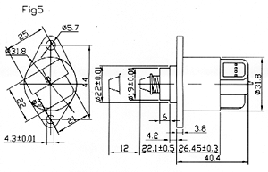
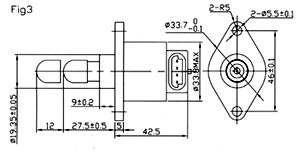
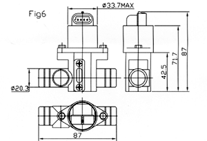
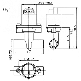
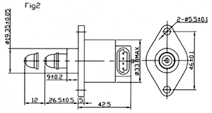
Fig
35PM42Z01A-02
15
2
12
0.23
53
23.4
0.0417
20
12
a
1
35PM42Z01B-09
15
2
12
0.23
53
23.4
0.0417
20
12
a
2
35PM42Z01B-10x
15
2
12
0.23
53
23.4
0.0417
20
12
a
3
35PM42Z01B-20T
15
2
12
0.23
53
23.4
0.0417
20
12
a
4
35PM42Z01B-01TAx
15
2
12
0.23
53
23.4
0.0417
20
12
a
6
35PM42Z01C-08
15
2
12
0.23
53
23.4
0.0417
20
12
b
5

Idle Speed Motor

35PM42201永磁式线性步进电机是汽车电喷系统中旁通阀上的控制执行元件,其外形图如反面。
功能:调节汽车电喷系统旁路气道补气量的大小,从而稳定怠速,并达到理想的怠速转数。同时也兼
有暖机空气阀的功能。

特征:使用该产品之后:
        节省能源,有利于环保。
        易于汽车启动。
        适宜目标怠速转速控制。
        适宜于暖机控制。
        高可靠,长寿命。

原理:动作原理:
由汽车电喷系统控制部份给电机工作信号,电机转子旋转通过带螺杆的阀芯转化为阀芯的直线往复运动。

该产品的研制成功填补了国内的空白,该产品已于2000年4月取得了《国家轿车质量监督检验中心》的合格证书。

FIGURE:
   
   
   
   
WIRING DIAGRAM :
   

  Copyright © 2006-2024 All Right Reserved

MotionKing Motor Industry Co.,Ltd.
Your Excellent Partner of Stepper Motors & Servo Motors from China.
Tel: +86-519-8988 6261
Fax: +86-519-8515 1172
E-mail:sales@motionking.com