|
|
 |
 |
 |
| |
| |
|
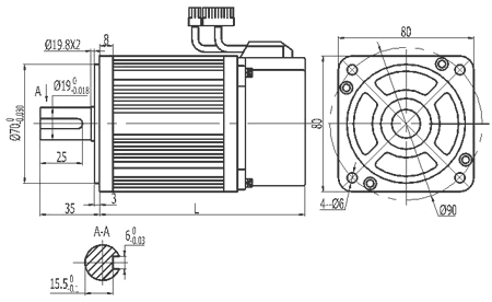
AS80 AC Servo Motors |
|
| |
|
| Electrical Specifications |
|
|
| |
| |
AS80-
30-013E25 |
AS80-
30-024E25 |
AS80-
20-035E25 |
AS80-
30-035E25 |
AS80-
25-040E25 |
AS80-
30-040E25 |
| Rated Power (KW) |
0.4 |
0.75 |
0.73 |
1.0 |
1.0 |
1.2 |
| Rated Voltage (V) |
220 |
220 |
220 |
220 |
220 |
220 |
| Rated Current (A) |
2 |
3.0 |
3.0 |
3.0 |
4.4 |
5.2 |
| Rated Speed (RPM) |
3000 |
3000 |
2000 |
3000 |
2500 |
3000 |
| Rated Torque (N.m) |
1.27 |
2.39 |
3.5 |
3.5 |
4.0 |
4.0 |
| Peak Torque (N.m) |
3.8 |
7.1 |
10.5 |
10.5 |
12 |
12 |
| Peak Current (A) |
6 |
9.0 |
9.0 |
13.5 |
13.2 |
16 |
| Voltage Constant (V/1000r/min) |
40 |
48 |
71 |
46 |
56 |
46 |
| Torque Coefficient (N.m/A) |
0.64 |
0.8 |
1.17 |
0.78 |
0.9 |
0.77 |
| Rotor Inertia (Kg.m2) |
1.05x10-4 |
1.82x10-4 |
2.63x10-4 |
2.63x10-4 |
2.97x10-4 |
2.97x10-4 |
| Resistance (Ω) |
4.44 |
2.88 |
3.65 |
1.56 |
1.83 |
1.33 |
| Inductance (mH) |
7.93 |
6.4 |
8.8 |
3.76 |
4.72 |
3.27 |
| Electrical Time Constant (ms) |
1.66 |
2.22 |
2.4 |
2.4 |
2.58 |
2.46 |
| Weight (Kg) |
1.78 |
2.86 |
3.7 |
3.7 |
3.8 |
3.8 |
| Encoder Resolution (PPR) |
2500 |
2500 |
2500 |
2500 |
2500 |
2500 |
| Body Length (L, mm) |
123 |
150 |
178 |
190 |
|
|
| Insulation Class |
Class B (130℃) |
| Safety Grade |
IP64 |
| Operating Enrivoment |
Temperature: -20℃ ~ +50℃ Humidity: under<90% (No Dewing) |
| Storage Enrivoment |
Temperature: -30℃ ~ +60℃ Humidity: under<90% (No Dewing) |
| Winding Connector |
Winding Wires |
U |
V |
W |
PE |
| Pin No. |
1 |
2 |
3 |
4 |
| Encoder Connector |
Signal Wires |
5V |
0V |
B+ |
Z- |
U+ |
Z+ |
U- |
A+ |
V+ |
W+ |
V- |
A- |
B- |
W- |
PE |
| Pin No. |
2 |
3 |
4 |
5 |
6 |
7 |
8 |
9 |
10 |
11 |
12 |
13 |
14 |
15 |
1 |
| Model |
L (mm) |
| AS80-30-013E25 |
123 |
| AS80-30-024E25 |
150 |
| AS80-20-035E25 |
178 |
| AS80-30-035E25 |
190 |
| AS80-25-040E25 |
|
| AS80-30-040E25 |
|
|
|
| Model |
Main Specs |
|
| MDB08IL |
AC220V, 0.8KW |
|
| MDB13IM |
AC220V, 1.3KW |
|
| MDB20IM |
AC220V, 2.0KW |
|
| MDB25IH |
AC220V, 2.5KW |
|
| MDB50IH |
AC220V, 5.0KW |
|
|
|
|
|
|