MotionKing
To Inquire Basket
  Home > Showroom > AC Servo Motors > AS60 AC Servo Motors
 
Hybrid Stepper Motors
2/4 Phase
8H2A 11H2A
14H2A 14H2M
14H2K 14H2R
16H2M 16H2A
17H2M/K 17H2A
17H2E 23H2A
23H2M 23H2B
24H2A 34H2A
34H2B 34H2Y
34H2M 43H2A
Precision Linear Motor
3 Phase
17H3A 23H3A
24H3A 34H3A
5 Phase
16H5C 24H5A
34H5B    
Ultra Flat | Pancake Motors
Square 28mm Square 42mm
Round 46mm Round 56mm
Round 60mm    
 
MEZ Stepper Servo
MEZ Motors MEZ Drives
       
AC Servo Motors
AS40 AS60
AS80 AS90
AS100 AS110
AS130 AS150
AS180    
       
DC Brushless Motors
42BLDC 57BLDC
60BLDC 70BLDC
90BLDC 110BLDC
Brushless Servo Motor
       
PM Stepper Motors
15PM 20PM
25PM 35PM
42PM 57PM
PM Stepper Gear Motors
35PM42Z Linear Motor
57PMZ Linear Motor
 
DC Gear Motors
37ZYJ-36ZY
37ZYJ-528
1-025-050
56JBX-57ZYN Planetary
56JBX-57BLDC Planetary
 
Drivers & Accessories
Encoders
Micro-Stepping Drivers

Hybrid Stepper Motor Catalogue
MEZ close loop stepper servo systems
AC Servo motors



New Contents
 
-> AS60 AC Servo Motors
MotionKing AS60 Series AC Servo Motor
Action
     
<< BACK
  Print This Page
  Email This Page
  Save to Favorites
 
Products Name: AC Servo Motors
Model: AS60 Series
   
Electrical Specifications  
 
  AS60-30-006E25 AS60-30-013E25 AS60-30-020E25
Rated Power (W) 200 400 600
Rated Voltage (V) 220 220 220
Rated Current (A) 1.5 2.8 3.5
Rated Speed (RPM) 3000 3000 3000
Rated Torque (N.m) 0.63 1.27 1.91
Peak Torque (N.m) 1.91 3.8 5.73
Peak Current (A) 4.5 8.4 10.5
Voltage Constant (V/1000r/min) 28 28 28
Torque Coefficient (N.m/A) 0.42 0.5 0.55
Rotor Inertia (Kg.m2) 0.17x10-4 0.3x10-4 0.44x10-4
Resistance (Ω) 11.6 5.8 3.5
Inductance (mH) 22 12 8.47
Electrical Time Constant (ms) 1.9 2.1 2.4
Weight (Kg) 1.2 1.4 1.8
Encoder Resolution (PPR) 2500 2500 2500
Body Length (mm, without brake) 116 141 169
Body Length (mm, with brake) 164 189 217

   
General Feature  
 
Insulation Class Class B (130℃)
Safety Grade IP64
Operating Enrivoment Temperature: -20℃ ~ +50℃    Humidity: under<90% (No Dewing)
Storage Enrivoment Temperature: -30℃ ~ +60℃    Humidity: under<90% (No Dewing)
Winding Connector Winding Wires U (Red) V (Yel) W (Blu) PE (Yel-grn-Blk)
Pin No. 1 2 3 4
Encoder Connector Signal Wires 5V 0V B+ Z- U+ Z+ U- A+ V+ W+ V- A- B- W- PE
Pin No. 2 3 4 5 6 7 8 9 10 11 12 13 14 15 1
Color Red Blk Grn Yel
Blk
Brn Yel Brn
Blk
Blu Gry Wht Gry
Blk
Blu
Blk
Grn
Blk
Wht
Blk
 

   
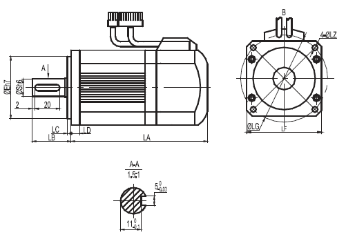
Dimensions  
 
MotionKing AS60 Servo Motor Dimensions

  AS60-30-006E25 AS60-30-013E25 AS60-30-020E25
LA 116 141 169
LB 30
LC 3
LD 7
LE 50
LF 60
LG 70
LZ 4.5
S 14
S1 14.9

   
Matched Drivers  
 
MotionKing Full Digital AC Servo Motor Drivers
Model Main Specs  
MDB08IL AC220V, 0.8KW  
MDB13IM AC220V, 1.3KW  
MDB20IM AC220V, 2.0KW  
MDB25IH AC220V, 2.5KW  
MDB50IH AC220V, 5.0KW  

  Copyright © 2006-2024 All Right Reserved

MotionKing Motor Industry Co.,Ltd.
Your Excellent Partner of Stepper Motors & Servo Motors from China.
Tel: +86-519-8988 6261
Fax: +86-519-8515 1172
E-mail:sales@motionking.com