MotionKing
To Inquire Basket
  Home > Showroom > PM Stepper Motors
 
Hybrid Stepper Motors
2/4 Phase
8H2A 11H2A
14H2A 14H2M
14H2K 14H2R
16H2M 16H2A
17H2M/K 17H2A
17H2E 23H2A
23H2M 23H2B
24H2A 34H2A
34H2B 34H2Y
34H2M 43H2A
Precision Linear Motor
3 Phase
17H3A 23H3A
24H3A 34H3A
5 Phase
16H5C 24H5A
34H5B    
Ultra Flat | Pancake Motors
Square 28mm Square 42mm
Round 46mm Round 56mm
Round 60mm    
 
MEZ Stepper Servo
MEZ Motors MEZ Drives
       
AC Servo Motors
AS40 AS60
AS80 AS90
AS100 AS110
AS130 AS150
AS180    
       
DC Brushless Motors
42BLDC 57BLDC
60BLDC 70BLDC
90BLDC 110BLDC
Brushless Servo Motor
       
PM Stepper Motors
15PM 20PM
25PM 35PM
42PM 57PM
PM Stepper Gear Motors
35PM42Z Linear Motor
57PMZ Linear Motor
 
DC Gear Motors
37ZYJ-36ZY
37ZYJ-528
1-025-050
56JBX-57ZYN Planetary
56JBX-57BLDC Planetary
 
Drivers & Accessories
Encoders
Micro-Stepping Drivers

Hybrid Stepper Motor Catalogue
MEZ close loop stepper servo systems
AC Servo motors



New Contents
 
-> 42PM Series PM Stepper Motor
Action
     
<< BACK
  Print This Page
  Email This Page
  Save to Favorites
 
Products Name: 42PM PM Stepper Motor
Model: 42PM
Details  
SPECIFICATIONS:
Model
Step
Angle
(deg)
No.of
phase
Voltage
(V)
Current
(A)
Resistance
(Ω)
Holding
torque
(g.cm)
Deent
torque
(g.cm)
Rotor
Inertia
(g.cm2)
Leads
Wdg
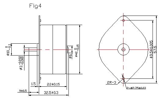
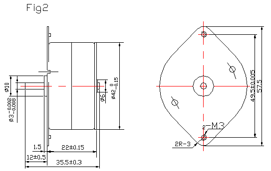
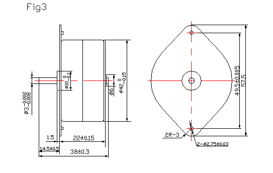
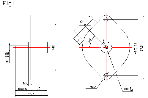
Fig
42PM48S01
7.5
4
12
0.3
40
500
100
9.6
UL1007 AWG26
i
1
42PM48S02
7.5
4
24
0.2
120
450
100
9.6
UL1007 AWG26
i
1
42PM48L01
7.5
4
12
0.2
70
550
110
9.6
UL1007 AWG26
i
2
42PM48L02
7.5
4
22
0.2
100
800
210
9.6
UL1007 AWG26
j
3
42PM48L03
7.5
4
19
1.27
15
1100
210
9.6
UL1007 AWG26
j
4
*Note: We can also manufacture products according to customer's requirements.
FIGURE:



WIRING DIAGRAM :

  Copyright © 2006-2024 All Right Reserved

MotionKing Motor Industry Co.,Ltd.
Your Excellent Partner of Stepper Motors & Servo Motors from China.
Tel: +86-519-8988 6261
Fax: +86-519-8515 1172
E-mail:sales@motionking.com