MotionKing
To Inquire Basket
  Home > Showroom > DC Brushless Motors
 
Hybrid Stepper Motors
2/4 Phase
8H2A 11H2A
14H2A 14H2M
14H2K 14H2R
16H2M 16H2A
17H2M/K 17H2A
17H2E 23H2A
23H2M 23H2B
24H2A 34H2A
34H2B 34H2Y
34H2M 43H2A
Precision Linear Motor
3 Phase
17H3A 23H3A
24H3A 34H3A
5 Phase
16H5C 24H5A
34H5B    
Ultra Flat | Pancake Motors
Square 28mm Square 42mm
Round 46mm Round 56mm
Round 60mm    
 
MEZ Stepper Servo
MEZ Motors MEZ Drives
       
AC Servo Motors
AS40 AS60
AS80 AS90
AS100 AS110
AS130 AS150
AS180    
       
DC Brushless Motors
42BLDC 57BLDC
60BLDC 70BLDC
90BLDC 110BLDC
Brushless Servo Motor
       
PM Stepper Motors
15PM 20PM
25PM 35PM
42PM 57PM
PM Stepper Gear Motors
35PM42Z Linear Motor
57PMZ Linear Motor
 
DC Gear Motors
37ZYJ-36ZY
37ZYJ-528
1-025-050
56JBX-57ZYN Planetary
56JBX-57BLDC Planetary
 
Drivers & Accessories
Encoders
Micro-Stepping Drivers

Hybrid Stepper Motor Catalogue
MEZ close loop stepper servo systems
AC Servo motors



New Contents
 
-> 60BLDC Brushless Motor
MotionKing BLDC Motors, 60BLDC, 3-Phase BLDC Motors -60mm
Action
     
<< BACK
  Print This Page
  Email This Page
  Save to Favorites
 
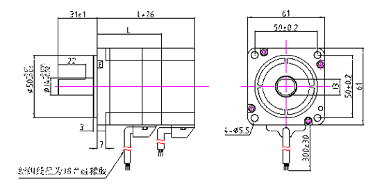
Products Name: 60BLDC Brushless Motor
Model: 60BLDC
Details  
Model
Rated
power
Rated
voltage
Rated
Current
Number
of poles
Rated
speed
Torque @
rated speed
Peak
torque
Moment
constant
Length
L
Weight
W V DC A   rpm N.m N.m N.m/A mm Kg
60BLDC50A-340
78
36
2.89
8
3000
0.25
0.75
0.09
52
0.9
60BLDC70A-240
156
24
8.72
8
3000
0.5
1.5
0.12
73
1.25
60BLDC70A-440
156
48
4.33
8
3000
0.5
1.5
0.12
73
1.25
60BLDC90A-640
235
310
1.16
8
3000
0.75
2.25
0.64
94
1.6

*Note: We can also manufacture products according to customer's requirements.

Proper Characteristic:
MotionKing Brushless DC Motors made of multi poles to increase the output torque. We design
and make MotionKing Brushless DC motors with 8 poles, but there are only 4 poles for
conventional Brushless DC motors, therefore MotionKing brushless DC motors' torque are
higher than conventional motors' when same frame size and same length motors.

General specification:
Ambient Temperature ……………………………… -25~+60℃
Ambient Related Humidity ………………………… 20%~95%
Storage Related Humidity ………………………… 20%~85%
Winding type ……………………………………………… YWE
Hall effect angle ………………………………………… 120 degree electrical angle
Insulation Resistance ………………………………… 100MΩ
Dielectric Strength ……………………………………… 1 min, 1000VAC, 50Hz

 

 Model

 Shaft Diameter
D

 Shaft Shape

60BLDC50A-350

 φ14

Flat 1x25

60BLDC70A-450

 φ14

Flat 1x25

 60BLDC90A-650

 φ14

Flat 1x25

 

 More Specifications


  Copyright © 2006-2024 All Right Reserved

MotionKing Motor Industry Co.,Ltd.
Your Excellent Partner of Stepper Motors & Servo Motors from China.
Tel: +86-519-8988 6261
Fax: +86-519-8515 1172
E-mail:sales@motionking.com