|
|
 |
 |
 |
| |
| |
|
AS130 AC Servo Motors |
|
| |
|
| Electrical Specifications |
|
|
| |
| |
AS130-
25-
040E25 |
AS130-
25-
050E25 |
AS130-
25-
060E25 |
AS130-
25-
077E25 |
AS130-
30-
077E25 |
AS130-
10-
100E25 |
AS130-
15-
100E25 |
AS130-
25-
100E25 |
AS130-
15-
150E25 |
AS130-
25-
150E25 |
| Rated Power (KW) |
1.0 |
1.3 |
1.5 |
2.0 |
2.5 |
1.0 |
1.5 |
2.6 |
2.3 |
3.8 |
| Rated Voltage (V) |
220 |
220 |
220 |
220 |
220 |
220 |
220 |
220 |
220 |
220 |
| Rated Current (A) |
4.0 |
5.0 |
6.0 |
7.5 |
11.7 |
4.5 |
6.0 |
10 |
9.5 |
13.5 |
| Rated Speed (RPM) |
2500 |
2500 |
2500 |
2500 |
3000 |
1000 |
1500 |
2500 |
1500 |
2500 |
| Rated Torque (N.m) |
4 |
5 |
6 |
7.7 |
7.7 |
10 |
10 |
10 |
15 |
15 |
| Peak Torque (N.m) |
12 |
15 |
18 |
22 |
23 |
20 |
25 |
25 |
30 |
30 |
| Peak Current (A) |
12 |
15 |
18 |
22.5 |
35 |
9 |
15 |
25 |
19 |
27 |
Voltage Constant
(V/1000r/min) |
72 |
68 |
65 |
68 |
42 |
140 |
103 |
70 |
114 |
67 |
Torque Coefficient
(N.m/A) |
1.0 |
1.0 |
1.0 |
1.03 |
0.66 |
2.2 |
1.67 |
1.0 |
1.58 |
1.11 |
| Rotor Inertia (Kg.m2) |
0.85×10-3 |
1.06×10-3 |
1.26×10-3 |
1.53×10-3 |
1.53×10-3 |
1.94×10-3 |
1.94×10-3 |
1.94×10-3 |
2.77×10-3 |
2.77×10-3 |
| Resistance (Ω) |
2.76 |
1.84 |
1.21 |
1.01 |
0.37 |
2.7 |
1.29 |
0.73 |
1.1 |
0.49 |
| Inductance (mH) |
6.42 |
4.9 |
3.87 |
2.94 |
1.06 |
8.8 |
5.07 |
2.45 |
4.45 |
1.68 |
Electrical Time
Constant (ms) |
2.32 |
2.66 |
3.26 |
3.8 |
3.8 |
3.26 |
3.93 |
3.36 |
4.05 |
3.43 |
| Weight (Kg) |
7.7 |
8.2 |
8.9 |
10 |
10 |
11.5 |
11.5 |
11.5 |
14.4 |
14.4 |
| Encoder Resolution (PPR) |
2500 |
2500 |
2500 |
2500 |
2500 |
2500 |
2500 |
2500 |
2500 |
2500 |
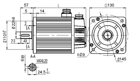
Body Length
(L, mm) |
166 |
171 |
179 |
192 |
192 |
213 |
213 |
209 |
241 |
231 |
| Insulation Class |
Class B (130℃) |
| Safety Grade |
IP64 |
| Operating Enrivoment |
Temperature: -20℃ ~ +50℃ Humidity: under<90% (No Dewing) |
| Storage Enrivoment |
Temperature: -30℃ ~ +60℃ Humidity: under<90% (No Dewing) |
| Winding Connector |
Winding Wires |
U |
V |
W |
PE |
| Pin No. |
2 |
3 |
4 |
1 |
| Encoder Connector |
Signal Wires |
5V |
0V |
B+ |
Z- |
U+ |
Z+ |
U- |
A+ |
V+ |
W+ |
V- |
A- |
B- |
W- |
PE |
| Pin No. |
2 |
3 |
4 |
5 |
6 |
7 |
8 |
9 |
10 |
11 |
12 |
13 |
14 |
15 |
1 |
| Rated Torque (N.m) |
L (mm) |
| 4 |
166 |
| 5 |
171 |
| 6 |
179 |
| 7.7 |
192 |
| 10 |
1000rpm |
213 |
| 1500rpm |
| 2500rpm |
209 |
| 15 |
1500rpm |
241 |
| 2500rpm |
231 |
|
|
| Model |
Main Specs |
|
| MDB08IL |
AC220V, 0.8KW |
|
| MDB13IM |
AC220V, 1.3KW |
|
| MDB20IM |
AC220V, 2.0KW |
|
| MDB25IH |
AC220V, 2.5KW |
|
| MDB50IH |
AC220V, 5.0KW |
|
|
|
|
|
|