|
|
 |
 |
 |
| |
| |
|
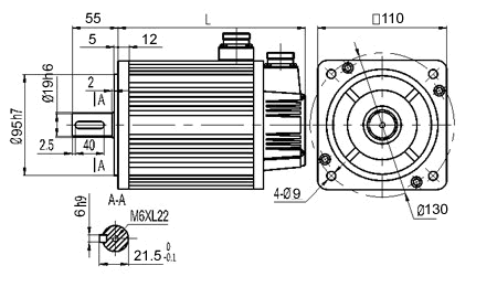
AS110 AC Servo Motors |
|
| |
|
| Electrical Specifications |
|
|
| |
| |
AS110-30-
020E25 |
AS110-20-
040E25 |
AS110-30-
040E25 |
AS110-20-
050E25 |
AS110-20-
050BE25 |
AS110-30-
050E25 |
AS110-20-
060E25 |
AS110-30-
060E25 |
| Rated Power (KW) |
0.6 |
0.8 |
1.2 |
1.0 |
1.0 |
1.5 |
1.2 |
1.8 |
| Rated Voltage (V) |
220 |
220 |
220 |
220 |
220 |
220 |
220 |
220 |
| Rated Current (A) |
2.5 |
3.5 |
5.0 |
4.5 |
5.4 |
6.0 |
4.5 |
6.0 |
| Rated Speed (RPM) |
3000 |
2000 |
3000 |
2000 |
2000 |
3000 |
2000 |
3000 |
| Rated Torque (N.m) |
2 |
4 |
4 |
5 |
5 |
5 |
6 |
6 |
| Peak Torque (N.m) |
6 |
12 |
12 |
10 |
15 |
15 |
12 |
18 |
| Peak Current (A) |
7.5 |
10.5 |
15 |
13.5 |
16.2 |
18 |
13.5 |
18 |
| Voltage Constant
(V/1000r/min) |
56 |
79 |
54 |
86 |
75 |
62 |
83 |
60 |
| Torque Coefficient (N.m/A) |
0.8 |
1.14 |
0.8 |
1.11 |
0.93 |
0.83 |
1.3 |
1.0 |
| Rotor Inertia (Kg.m2) |
0.3110-3 |
0.5410-3 |
0.5410-3 |
0.6310-3 |
0.6310-3 |
0.6310-3 |
0.7610-3 |
0.7610-3 |
| Resistance (Ω) |
3.6 |
2.41 |
1.09 |
2.14 |
1.7 |
1.03 |
1.46 |
0.81 |
| Inductance (mH) |
8.32 |
7.3 |
3.3 |
6.5 |
4.9 |
3.43 |
4.7 |
2.59 |
| Electrical Time
Constant (ms) |
2.3 |
3 |
3.0 |
3.0 |
2.88 |
3.33 |
3.2 |
3.2 |
| Weight (Kg) |
4.5 |
5.5 |
5.5 |
6.1 |
6.1 |
6.1 |
6.7 |
6.7 |
| Encoder Resolution (PPR) |
2500 |
2500 |
2500 |
2500 |
2500 |
2500 |
2500 |
2500 |
| Body Length (L, mm) |
159 |
189 |
189 |
204 |
204 |
204 |
219 |
219 |
| Insulation Class |
Class B (130℃) |
| Safety Grade |
IP64 |
| Operating Enrivoment |
Temperature: -20℃ ~ +50℃ Humidity: under<90% (No Dewing) |
| Storage Enrivoment |
Temperature: -30℃ ~ +60℃ Humidity: under<90% (No Dewing) |
| Winding Connector |
Winding Wires |
U |
V |
W |
PE |
| Pin No. |
2 |
3 |
4 |
1 |
| Encoder Connector |
Signal Wires |
5V |
0V |
B+ |
Z- |
U+ |
Z+ |
U- |
A+ |
V+ |
W+ |
V- |
A- |
B- |
W- |
PE |
| Pin No. |
2 |
3 |
4 |
5 |
6 |
7 |
8 |
9 |
10 |
11 |
12 |
13 |
14 |
15 |
1 |
| Rated Torque (N.m) |
L (mm) |
| 2 |
159 |
| 4 |
189 |
| 5 |
204 |
| 6 |
219 |
|
|
| Model |
Main Specs |
|
| MDB08IL |
AC220V, 0.8KW |
|
| MDB13IM |
AC220V, 1.3KW |
|
| MDB20IM |
AC220V, 2.0KW |
|
| MDB25IH |
AC220V, 2.5KW |
|
| MDB50IH |
AC220V, 5.0KW |
|
|
|
|
|
|