| |
DD is the abbreviation of Direct Drive, including torque motor and linear motor. The motor is called DD direct drive motor or direct drive motor.
Because of its large output torque, some companies refer to this product directly as torque servo. Unlike conventional motors, the high torque of the product allows it to be directly
connected to the motion device, eliminating the need for connection mechanisms such as reducers, gearboxes, pulleys, etc., so it is called a direct drive motor.
Since this type of motor is generally equipped with a high-resolution encoder, the product can achieve a higher level of accuracy than ordinary servos. Moreover, due to the direct connection method, the positioning error caused by the mechanical structure is reduced, and the process precision is ensured. In addition, for the partial camshaft control mode, on the one hand, the dimensional error due to the friction of the mechanical structure is reduced, and on the other hand, the noise during installation and use is greatly reduced.
Direct drive is to directly connect the direct drive motor (linear motor or torque motor) to the load under the control of the drive system to achieve direct drive to the load. With this construction, all mechanical transmission components (ball screw pairs, racks and gears, drive belts/pulleys, gearboxes, etc.) are eliminated, eliminating the backlash, compliance and associated with mechanical transmission. Other issues. Direct drive motors include direct drive linear motors (DDL) and direct drive rotary motors (DDR) |
|
|
| |
 |
|
|
Default Models |
Voltage
(VDC) |
Stator Dia.
(mm) |
Rated Torque
(N.m) |
Peak Torque
(N.m) |
Rated Speed
(RPM) |
Power
(w)
|
Pole Numbers |
With Hall
Sensors |
Weight(Kg) |
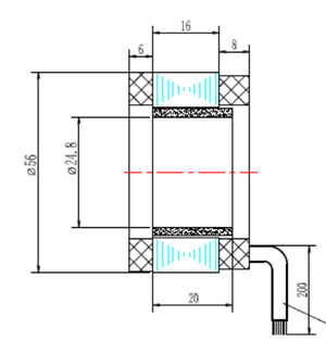
| 56BLDD03-430 |
48 / Custom |
56 |
0.3 |
0.9 |
3000 |
95 |
16 |
Optional |
0.3 |
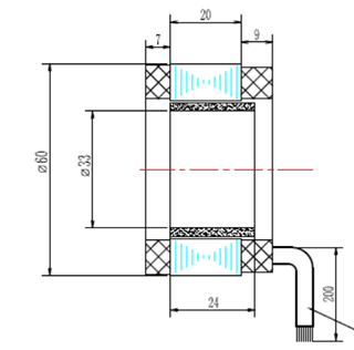
| 60BLDD05-430 |
48 / Custom |
60 |
0.5 |
1.5 |
3000 |
157 |
16 |
0.4 |
| 76BLDD10-430 |
48 / Custom |
76 |
1.0 |
3.0 |
3000 |
314 |
16 |
0.7 |
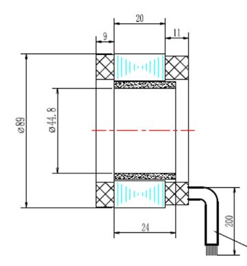
| 89BLDD15-430 |
48 / Custom |
89 |
1.5 |
4.5 |
3000 |
470 |
16 |
0.9 |
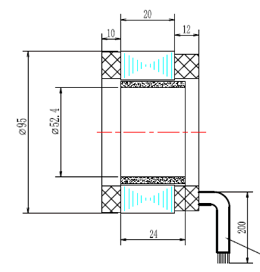
| 95BLDD20-430 |
48 / Custom |
95 |
2.0 |
6.0 |
3000 |
628 |
16 |
1.4 |
|
| |

56BLDD03-XX |

60BLDD05-XX |
| |
|

76BLDD10-XX |

89BLDD15-XX |
| |
|

95BLDD20-XX |
|
| |
|
|
Direct drive motors have already made great splashes in the field of washing machines. Now we have successfully applied them to industrial robots. Together with harmonic reducers and high-precision encoders, we have once again set off a revolution in modern advanced industrial manufacturing!
Please contact us for further information and customrequirements. |
|
| |
|